Product development facility

Audecy Electronics Manufacturing

Product Development

Our comprehensive product development capabilities, encompass the entire product lifecycle from concept to production. We offer our clients with a one-stop solution for their products to standout in terms of quality and innovation

Specification Development

Our product development process begins with a thorough understanding of our client’s specifications and requirements. We work closely with our clients to define the product’s features, functionality and performance criteria. We, at Audecy, transform these specifications into a detailed product development plan, ensuring that we stay aligned with the client’s vision.

Visual Design

We prioritize creating designs that are user-friendly, intuitive, and enhance the overall user experience, whether it's for a digital interface or a physical product. Our team is adept at transforming ideas into visually stunning concepts. Maintaining brand consistency is crucial for building brand recognition and trust.

We ensure that the visual element of the product aligns with the brand's identity, from color schemes and typography to logos and design motifs, ensuring that they stand out on the market shelves and resonate with consumers.

Before finalizing designs, we create visual prototypes and mockups that allow you to see how the product will look in real life. This process enables you to provide feedback and make necessary adjustments before moving to production. We prioritize sustainability in '..' This approach aligns with the growing demand for environmentally responsible products.

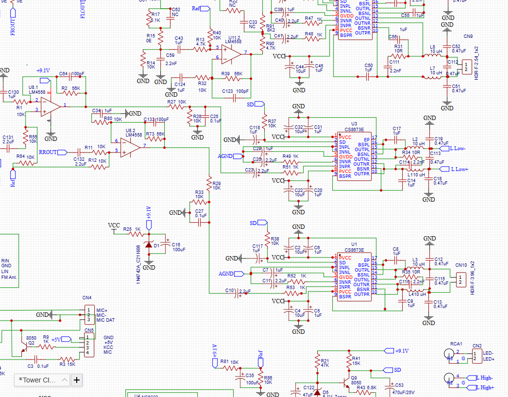
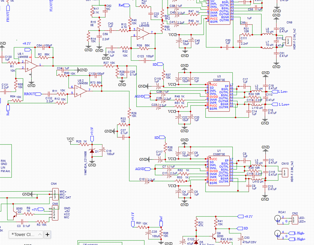
Electronics Design

We excel in designing custom audio electronics, tailored to meet the unique requirements of home and portable audio devices. Whether it's high-audecy sound for home entertainment or compact audio solutions for on-the-go, our team of experienced engineers can create electronic designs that deliver outstanding audio performance.

Our component development expertise allows us to create compact and lightweight audio solutions for portable devices, maintaining a delicate balance between size, power, and performance. In addition to hardware design, our capabilities extend to firmware and software development. We can create embedded software to control and interface with electronic components, ensuring seamless integration and functionality.

We ensure that our components adhere to industry standards and certifications, such as Hi-Res Audio, THX, and Dolby, to guarantee compatibility and deliver premium audio experiences.

Component Development

When it comes to mechanical development, we've got some impressive skills up our sleeves. We're not just about off-the-shelf solutions; we can craft custom components and modules to fit exactly what our clients need. Whether it's inventing a unique sensor or a specialized interface, we've got the design and manufacturing chops to make it happen.

We're not limited to one material or method. We can handle it all, from machine tooling and injection molding for plastics, to metal fabrication and even wood working. The choice of which method to employ depends on factors such as material suitability, production volume, cost-effectiveness, and the desired level of precision. This versatility means we can create highly personalized and tailor-made solutions that truly stand out.

Packaging

Packaging plays a crucial role in product presentation, protection, and marketability. Our packaging design team is adept at creating packaging solutions that not only safeguard the product during shipping and storage but also enhance its shelf appeal.

We consider sustainability, cost-efficiency, and branding consistency when designing packaging for your products.

Ready to build with Audecy?

Let’s align on specifications, timelines, and quality goals for your next audio program.

Start a project